Sie sind hier: Messtechnik Bitdorf & Funke Röhrenprüfgerät W10  
 BITDORF & FUNKE
Röhrenprüfgerät W19
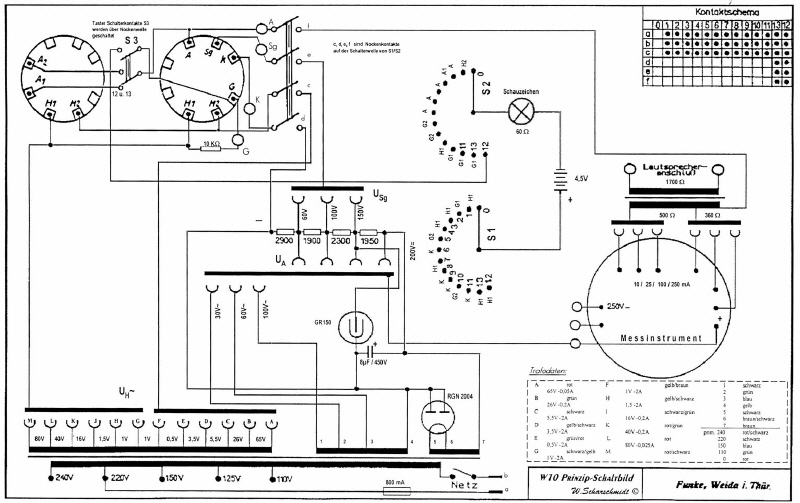
Röhrenprüfgerät W10
Röhrenprüfgerät W16
Röhrenprüfgerät W18
 MESSTECHNIK
Sell & Stemmler
Bitdorf & Funke
Grundig

RÖHRENPRÜFGERÄT W10